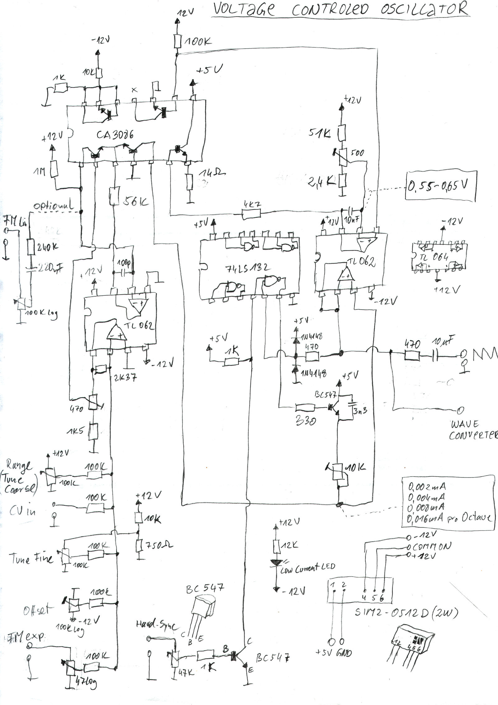
paper_synth:vco_schematic.jpg

vco_schematic.jpg

vco_schematic.jpg

Date:
2020/06/11 22:42
Filename:
vco_schematic.jpg
Format:
JPEG
Size:
325KB
Width:
1600
Height:
2262


Back to paper_synth:ps110_vco